ナイロンクランプ付き二分割コア MTCNシリーズ(低周波用)

MTCN Series – Two-Piece Core with Nylon Clamp
ナイロンクランプ付き二分割コア MTCNシリーズ(低周波用)
RoHS2指令(10物質)適合品

対応する電磁ノイズ周波数帯

推奨周波数帯 100kHz~10MHz

樹脂ケース材質

PA66(ナイロン) UL94 V-0
色:ブラック

用途

  • 医療機器、各種デジタル機器の伝導ノイズ対策、放射ノイズ対策
  • スイッチング電源より発生した低周波ノイズ対策

特長

  1. 低周波帯域(100kHz~10MHz)での電磁ノイズ対策に最適なフェライトコアです。
  2. ニ分割コアとナイロンクランプが一体化して、装置へのビス止めができるタイプです。
  3. コアへの巻き付け回数(ターン数)を増減させることにより、挿入損失を調整出来ます。(下図参照)
  4. 配線済みのケーブル、ハーネスにも容易に取り付けが可能です。
ナイロンクランプ付き二分割コア MTCNシリーズ(低周波用) 特長1
ナイロンクランプ付き二分割コア MTCNシリーズ(低周波用) 特長2
ナイロンクランプ付き二分割コア MTCNシリーズ(低周波用) 特長3

仕様

ナイロンクランプ付き二分割コア MTCNシリーズ(低周波用) 仕様1
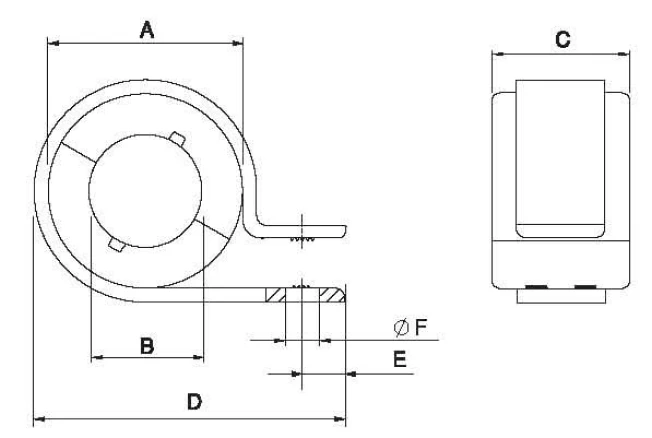
品番 寸法 インピーダンス(1ターン) インピーダンス(2ターン) インピーダンス(3ターン) 推奨ケーブル径
A(磁性体外径) B(内径) C(全長) D(クランプ込幅) E(クランプ端-穴距離) F(クランプ穴径(φ)) 100kHz 1MHz 10MHz 100kHz 1MHz 10MHz 100kHz 1MHz 10MHz
MTCN16813MN 16.3 8.2 13.0 29.7 4.8 4.3 1 10 36 4 41 145 8 83 325 φ7.7以下
MTCN402715MN 40.5 27.4 15.0 58.0 6.3 5.1 1 9 15 4 36 59 9 78 132 φ27.1以下

※ビス止め時にスペーサーを要するものがありますので、詳細は納入仕様書をご請求下さい。

※在庫状況につきましては、お問い合わせください。

※表のインピーダンスは、保証値ではなく実測値です。

インピーダンス特性グラフ

特性グラフでは、カーソルを合わせたり、タップすることで、該当周波数におけるインピーダンスが表示されます。
また、グラフ上部の凡例をクリックやタップすることで、表示・非表示が切り替わります。

※特性グラフのインピーダンスは、保証値ではなく実測値です。